Монитор Acer 7134

  • Структурная схема   (44kB)

  • Блок питания   (132kB)

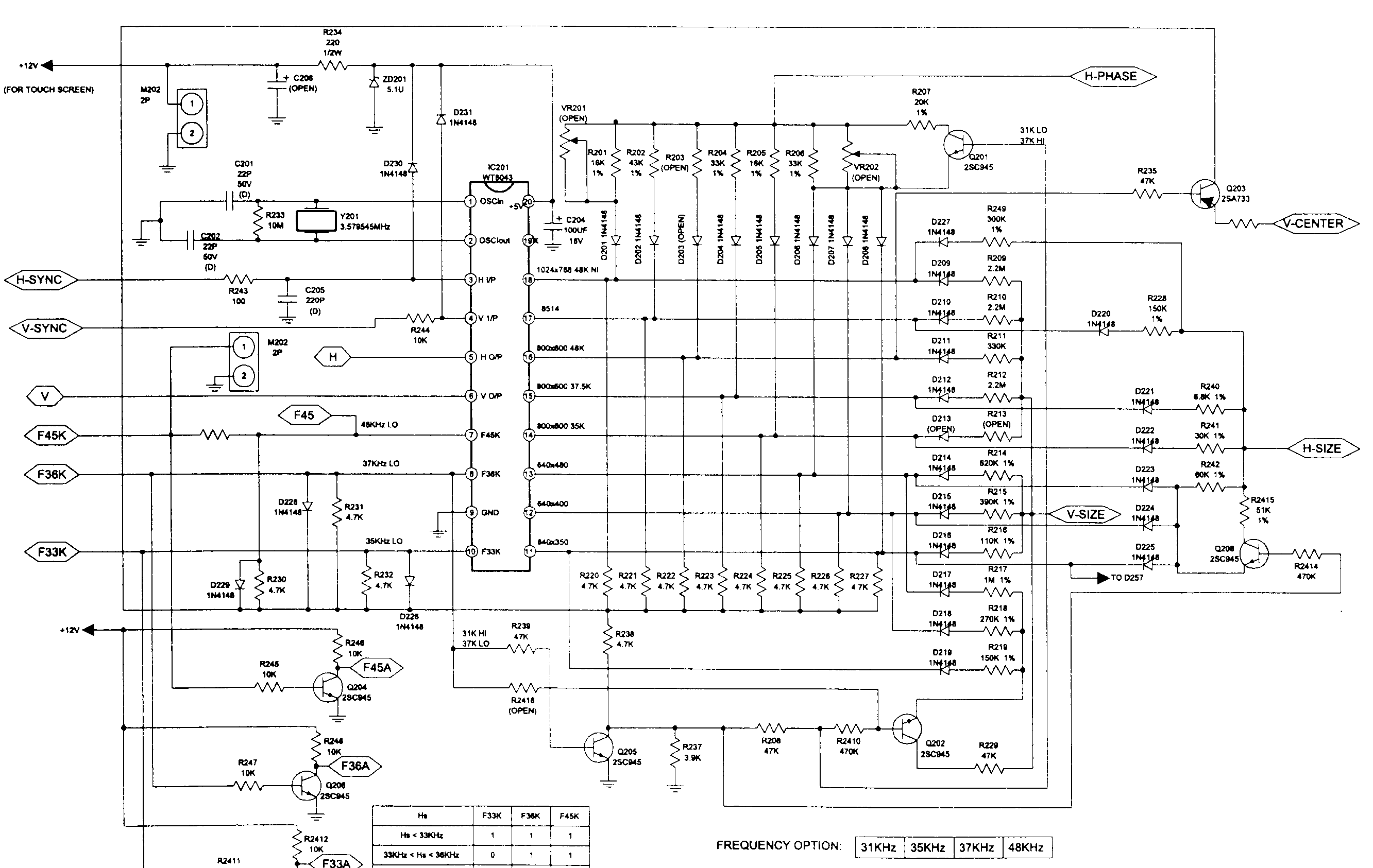
  • Блок выбора частот синхронизации   (89kB)

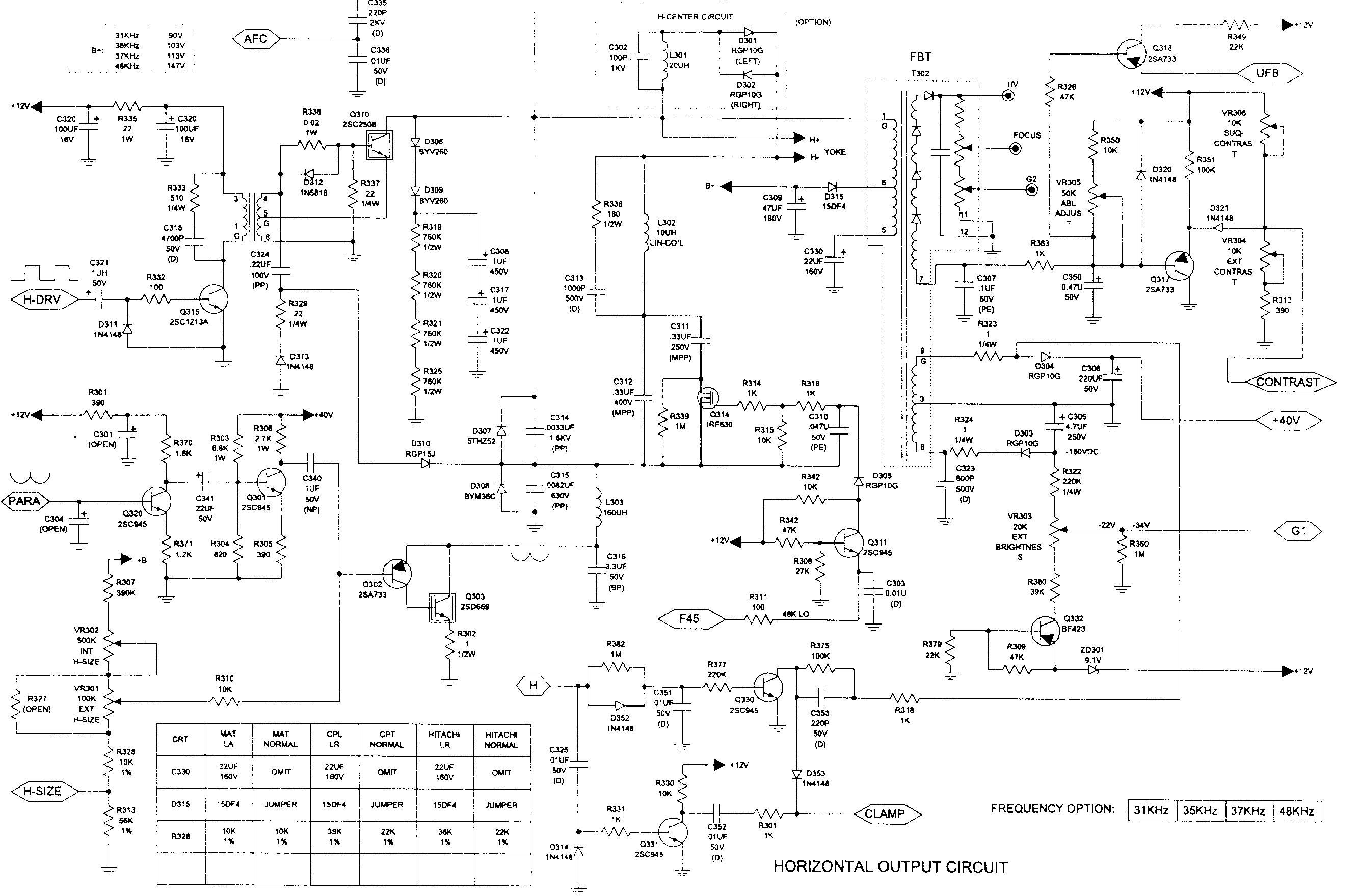
  • Блок строчной развёртки   (93kB)

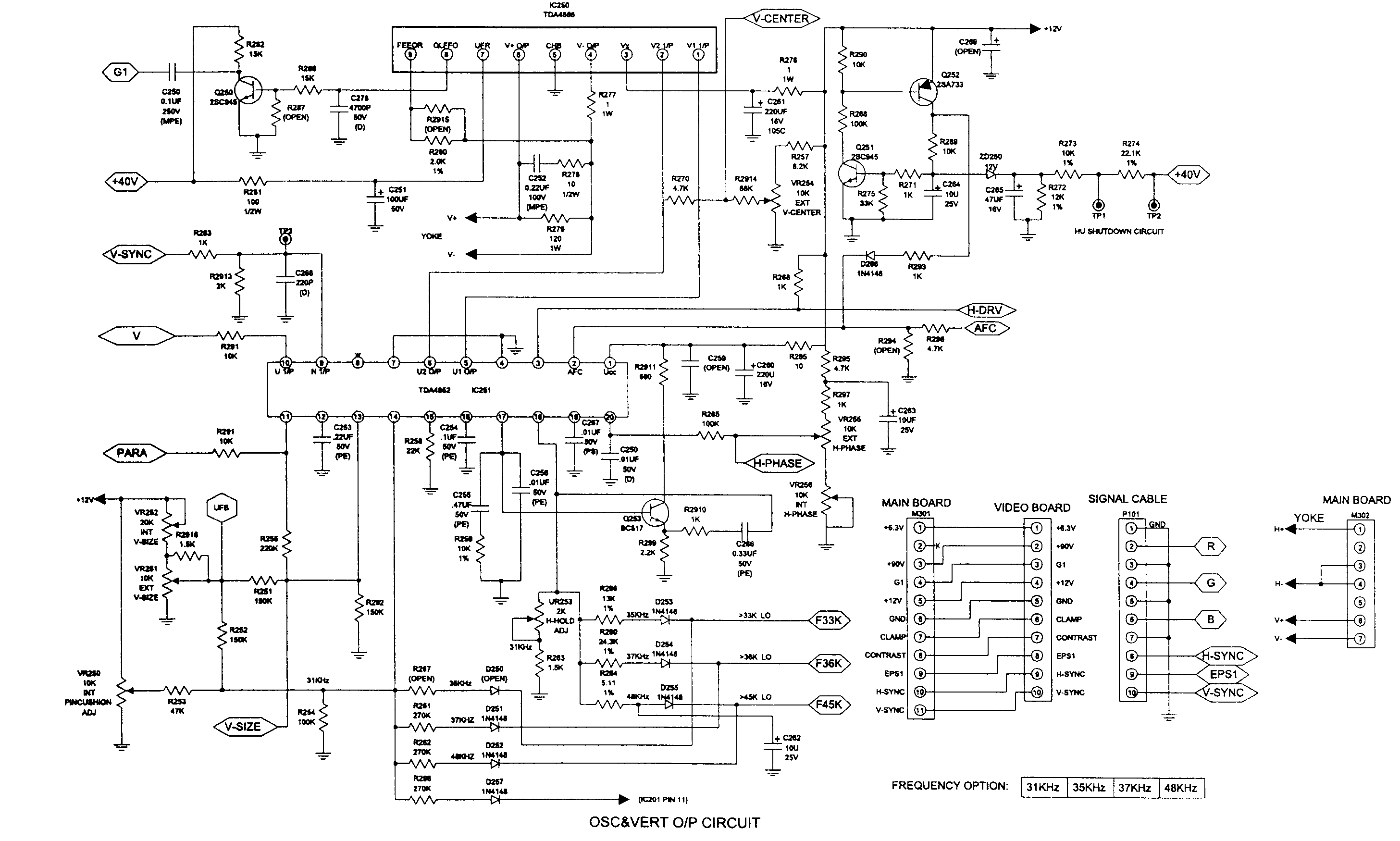
  • Блок кадровой развёртки  (93kB)

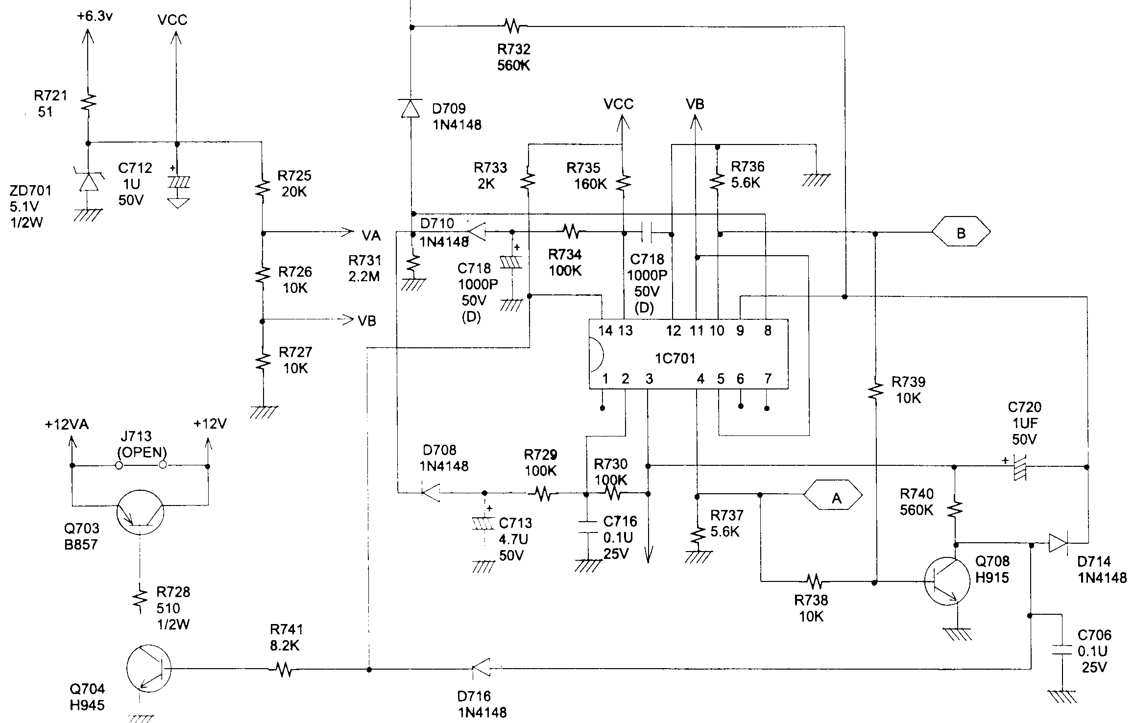
  • Какой-то ещё блок  (48kB)

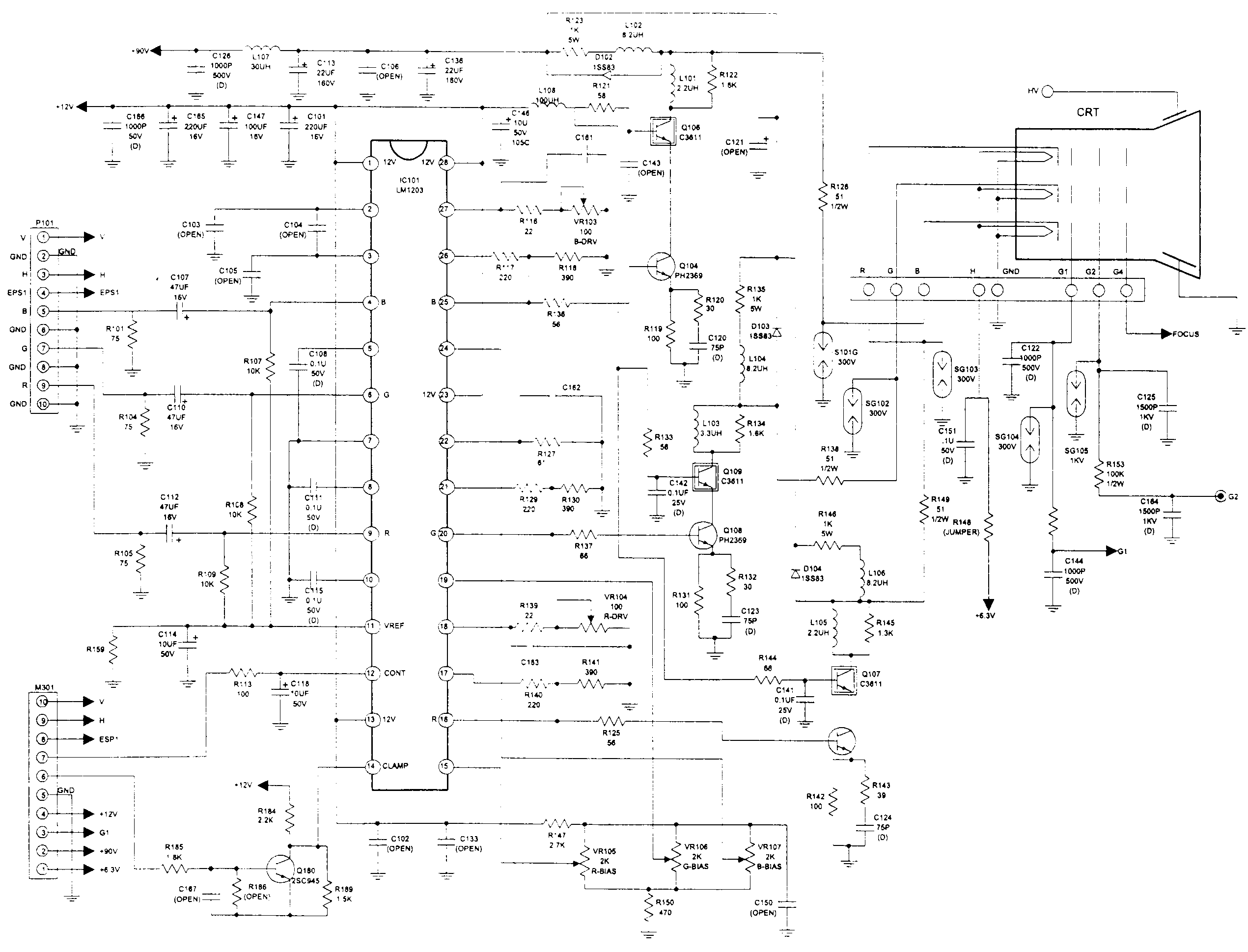
  • Видеоусилители и плата кинескопа  (77kB)

        

        

    Поддержите сайт, поставте на нас ссылку.

    Пример ссылкиКод ссылки
    Схемы по радиосвязи
    Схемы по радиосвязи
    Выбрать другой баннер...

     
    Сайт создан в системе uCoz
  • Сайт создан в системе uCoz