Блоки питания импортных телевизоров

  • Телевизор "DAEWOO DTK-1418VM/2018VM, DTK-1413VM/2013VM (Шасси:C-50NA)"   (87kB) (STR50103, TSM701) (TDA4605,APT8075BN)

  • Телевизор "FUNAI MS20"   (97kB) (....)

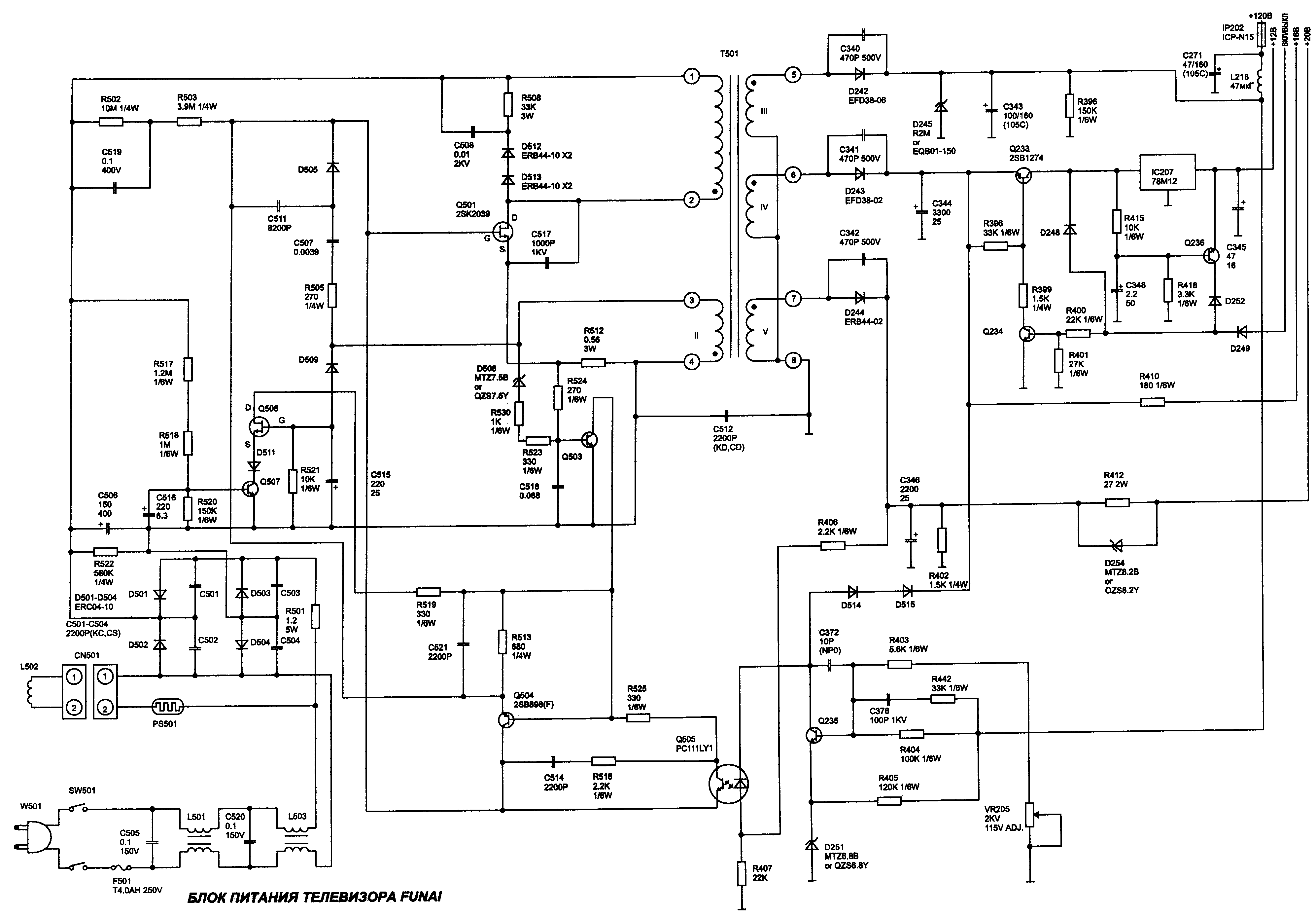
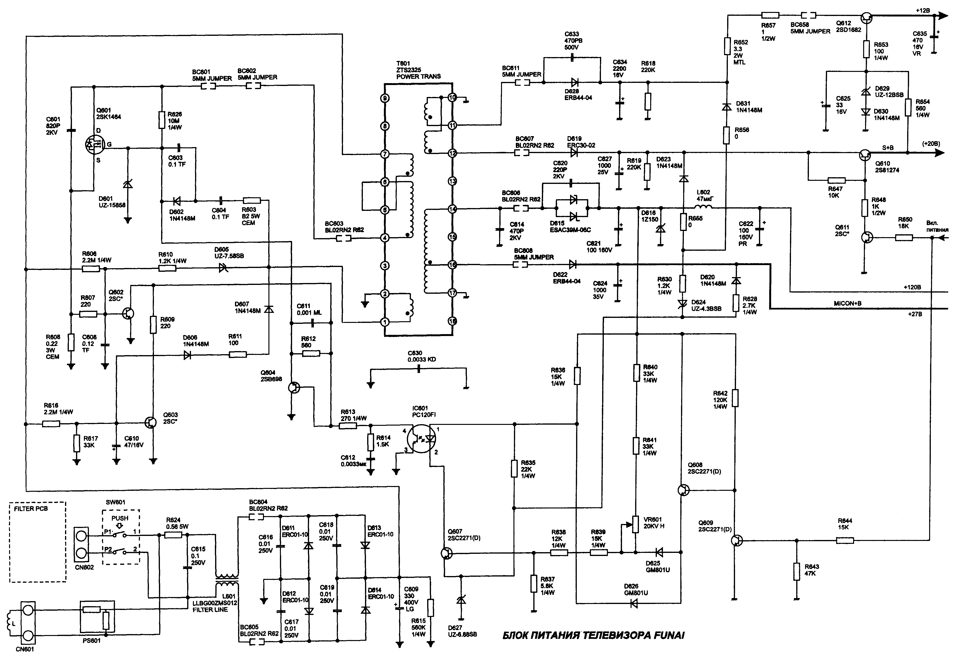
  • Телевизор "FUNAI "   (176kB) (2SK1464, 2SB698)

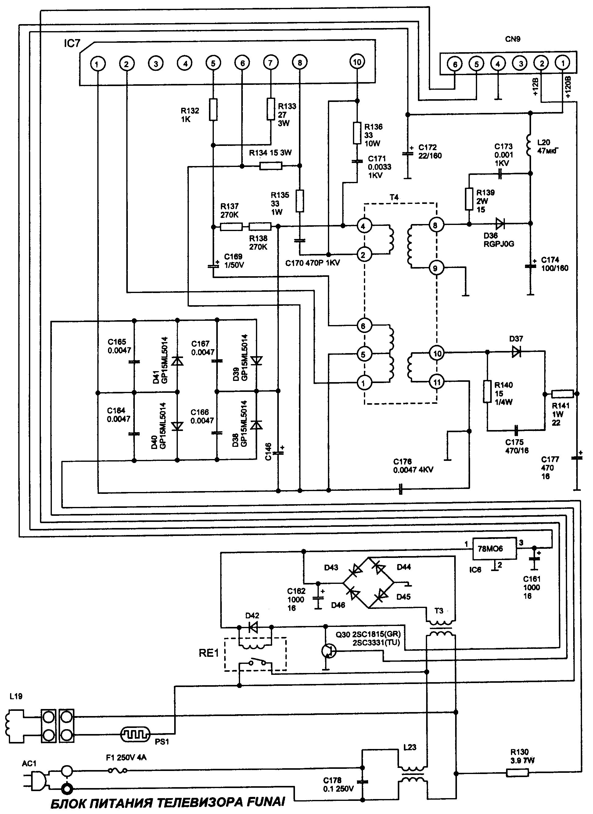
  • Телевизор "FUNAI MS14A-MKII, MS14A"   (165kB) (2SK2039, 2SB6898)

  • Телевизор "Goldstar CF14E20B/20E20B/21E20B, CF-21D10Y (Шасси MC41)"   (135kB) (SRT-S6707, KTD2092)

  • Телевизор "Goldstar CF25C44/29C44 (Шасси MC51A)"   (180kB) (SRT-S6709)

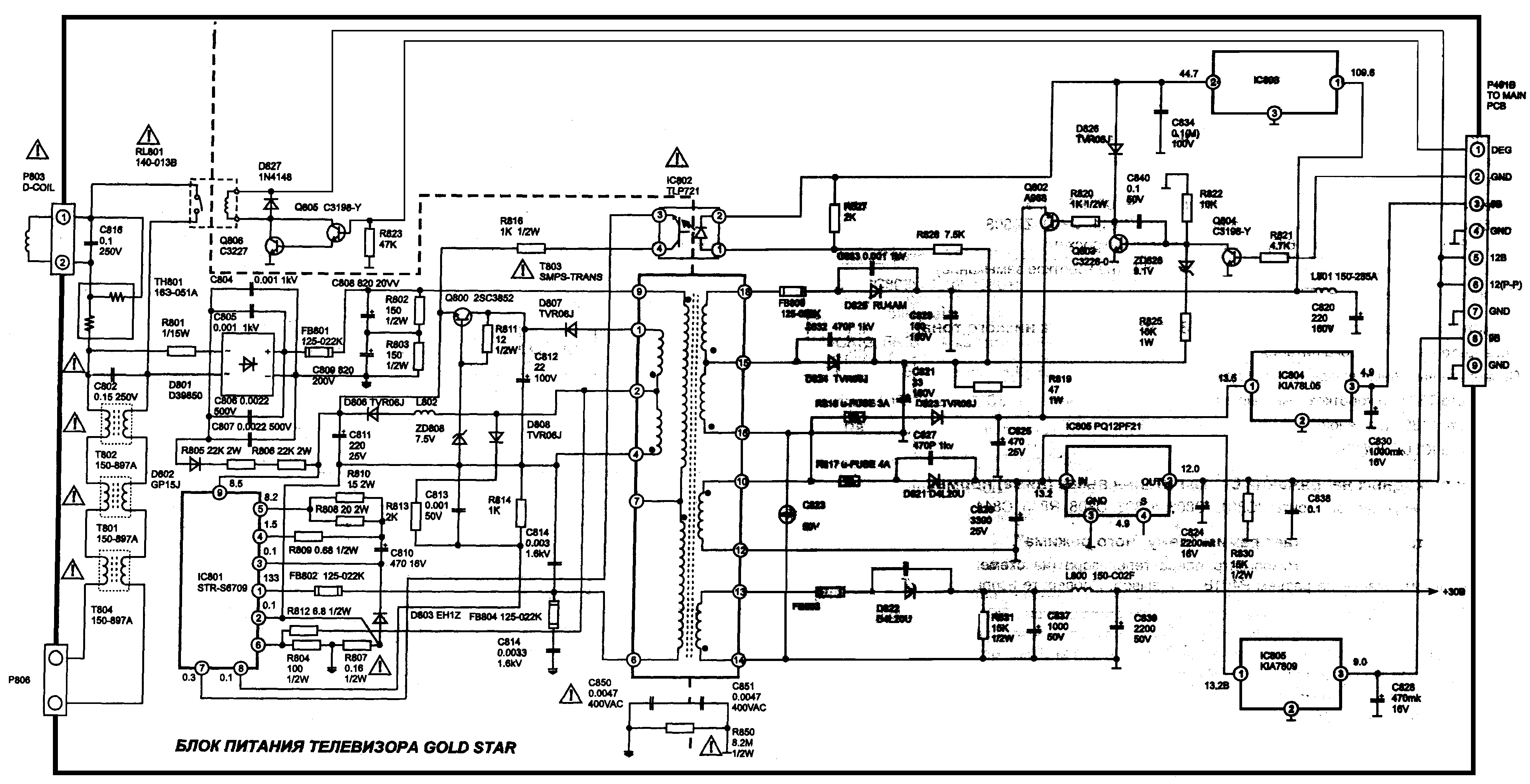
  • Телевизор "Goldstar CF21C22X"   (155kB) (SRT-S6707, 2SC3852)

  • Телевизор "Goldstar CF25C36/29C36"   (184kB) (SRT-S6709)

  • Телевизор "Goldstar CF29C20J, CF25C32J/29C32J (Шасси PC33J)"   (140kB) (TDA4605-2, BUZ91A)

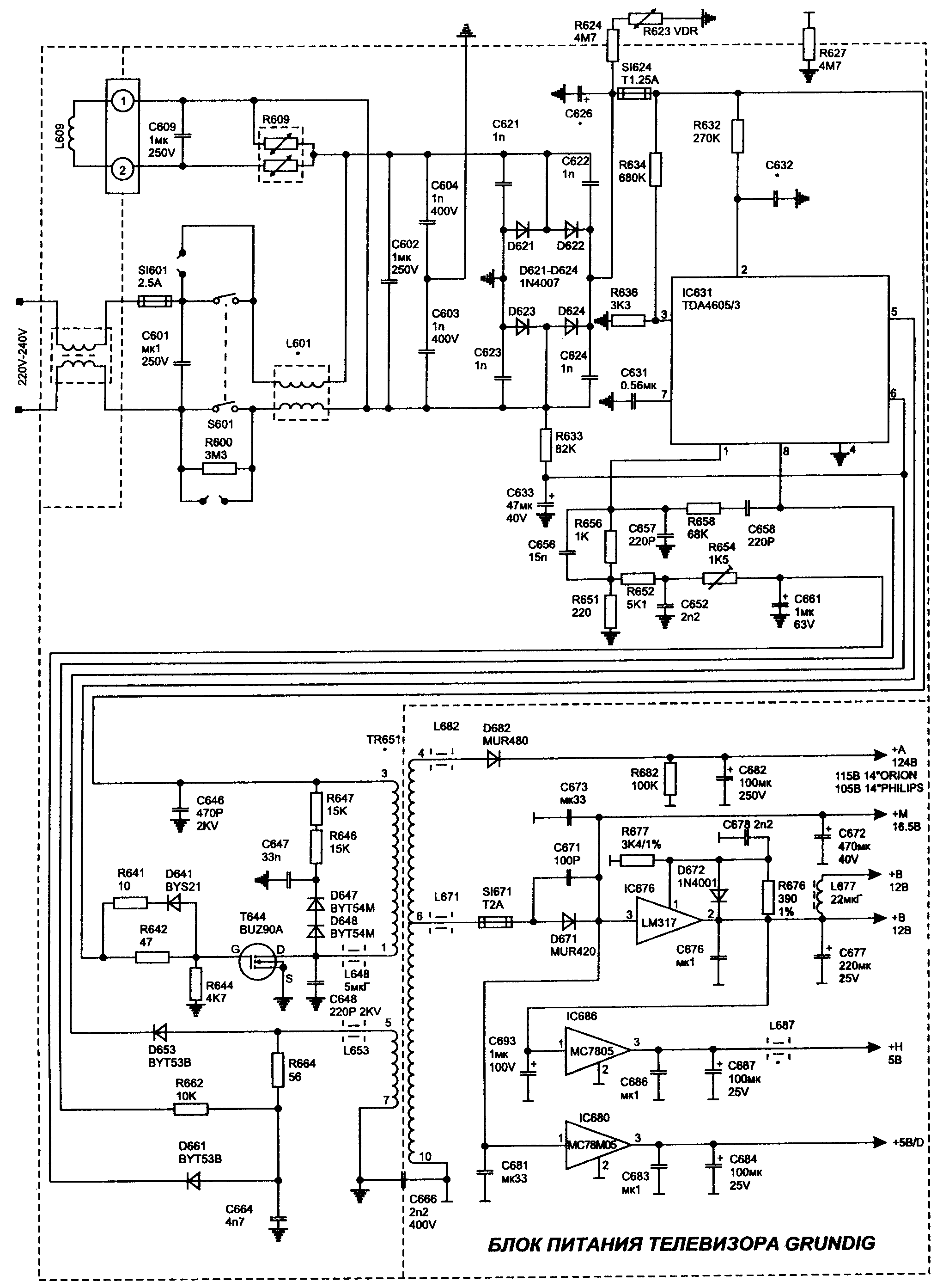
  • Телевизор "Grundig CUC5303, CUC5310, CUC5360, CUC5361"   (119kB) (TDA4605-2, BUZ90A)

  • Телевизор "Grundig CUC6300, P37-060, P40-060, P37-640, P40-640, P42-060, P45-640, T51-060, T51-640, T55-060, T55-640, P50-640"   (115kB) (TDA4605-2, BUZ90A)

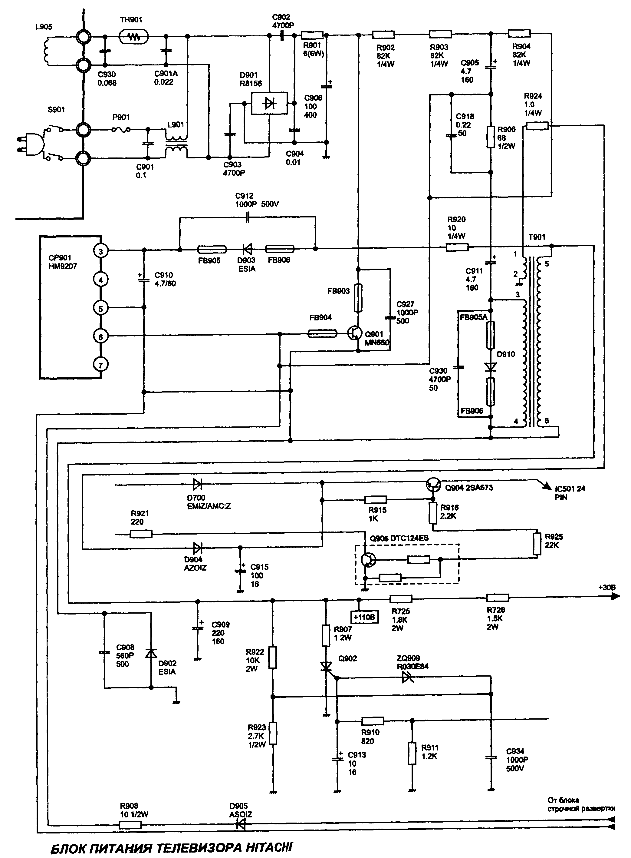
  • Телевизор "Hitachi CMT2130 (Шасси NP84C22)"   (97kB) (HM9207, MN650)

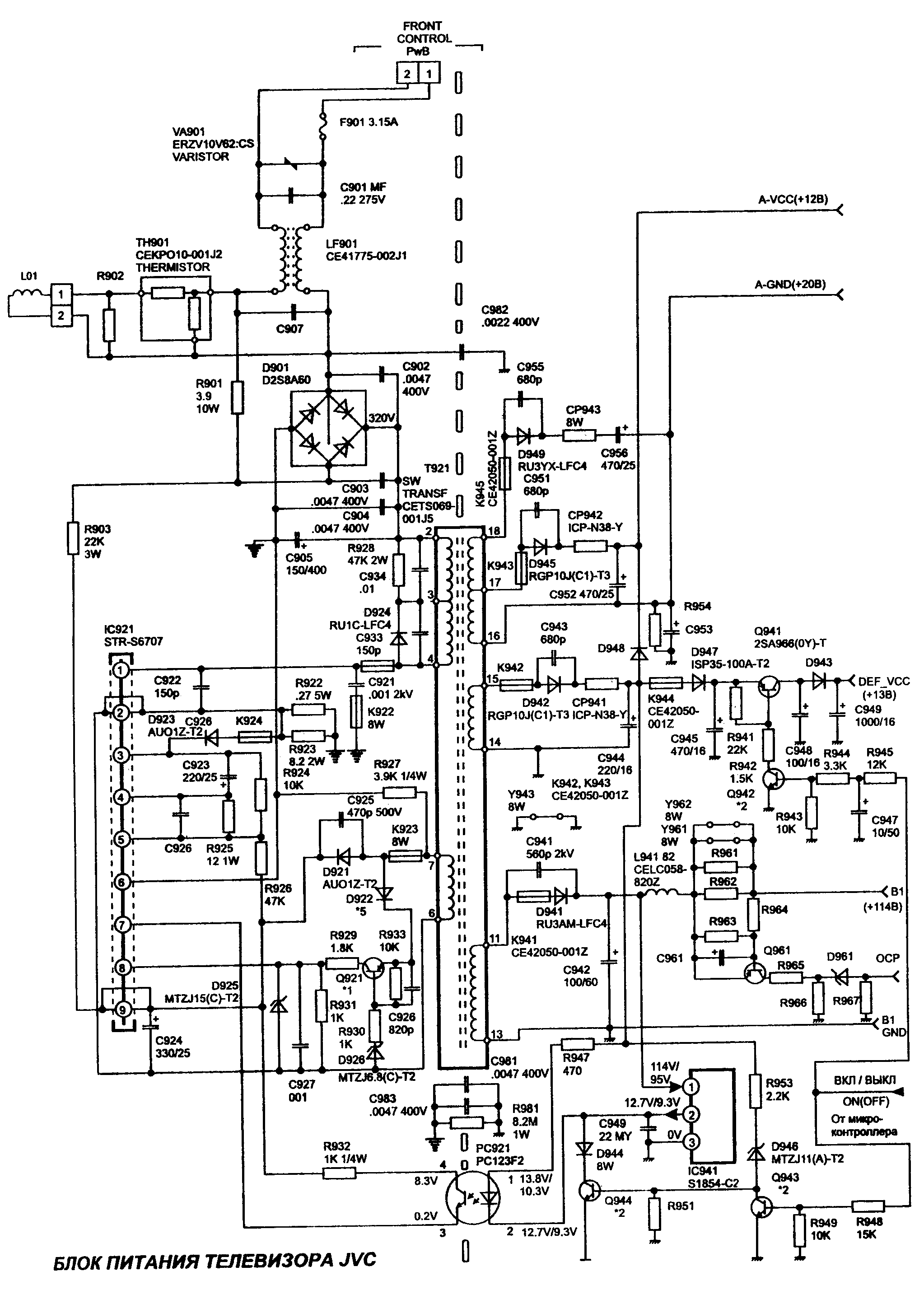
  • Телевизор "JVC AVJ210T"   (134kB) (SRT-S6707)

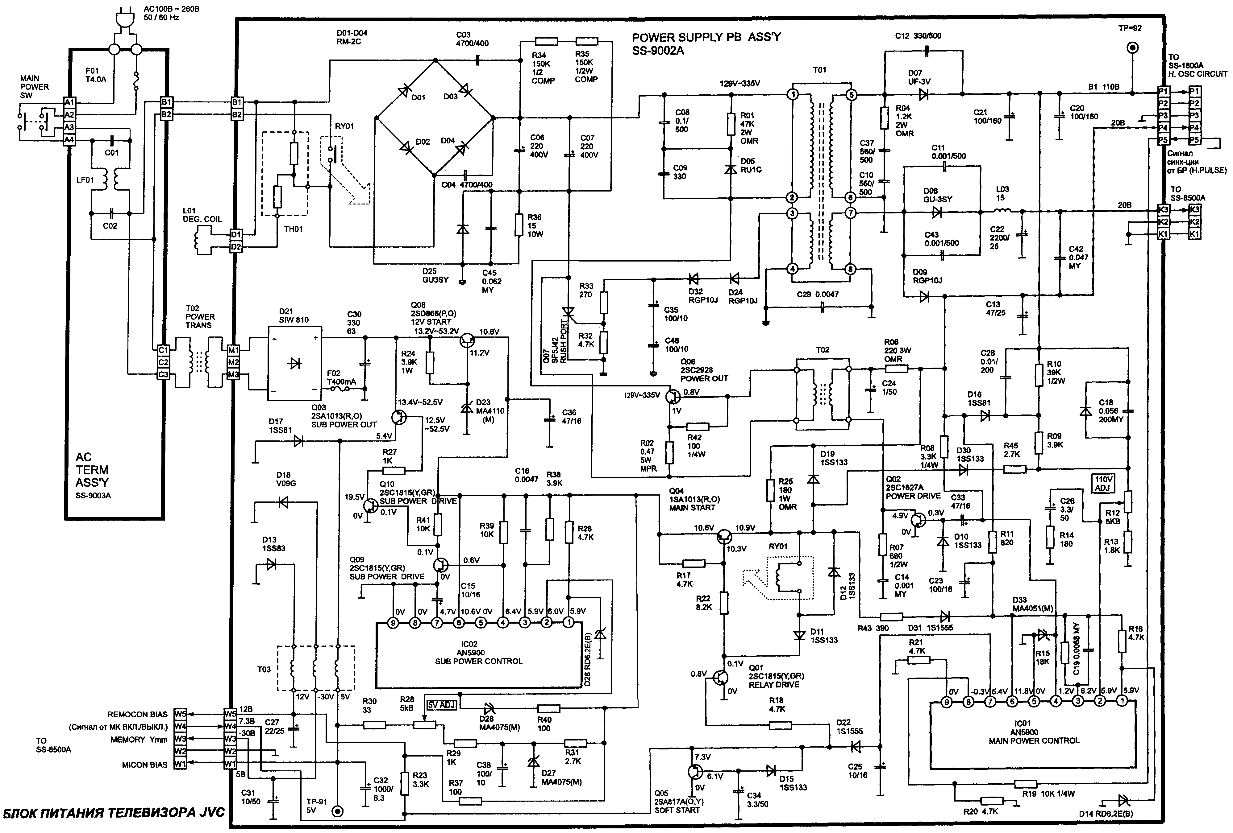
  • Телевизор "JVC AV-20ME"   (239kB) (AN5900, 2SC2928)

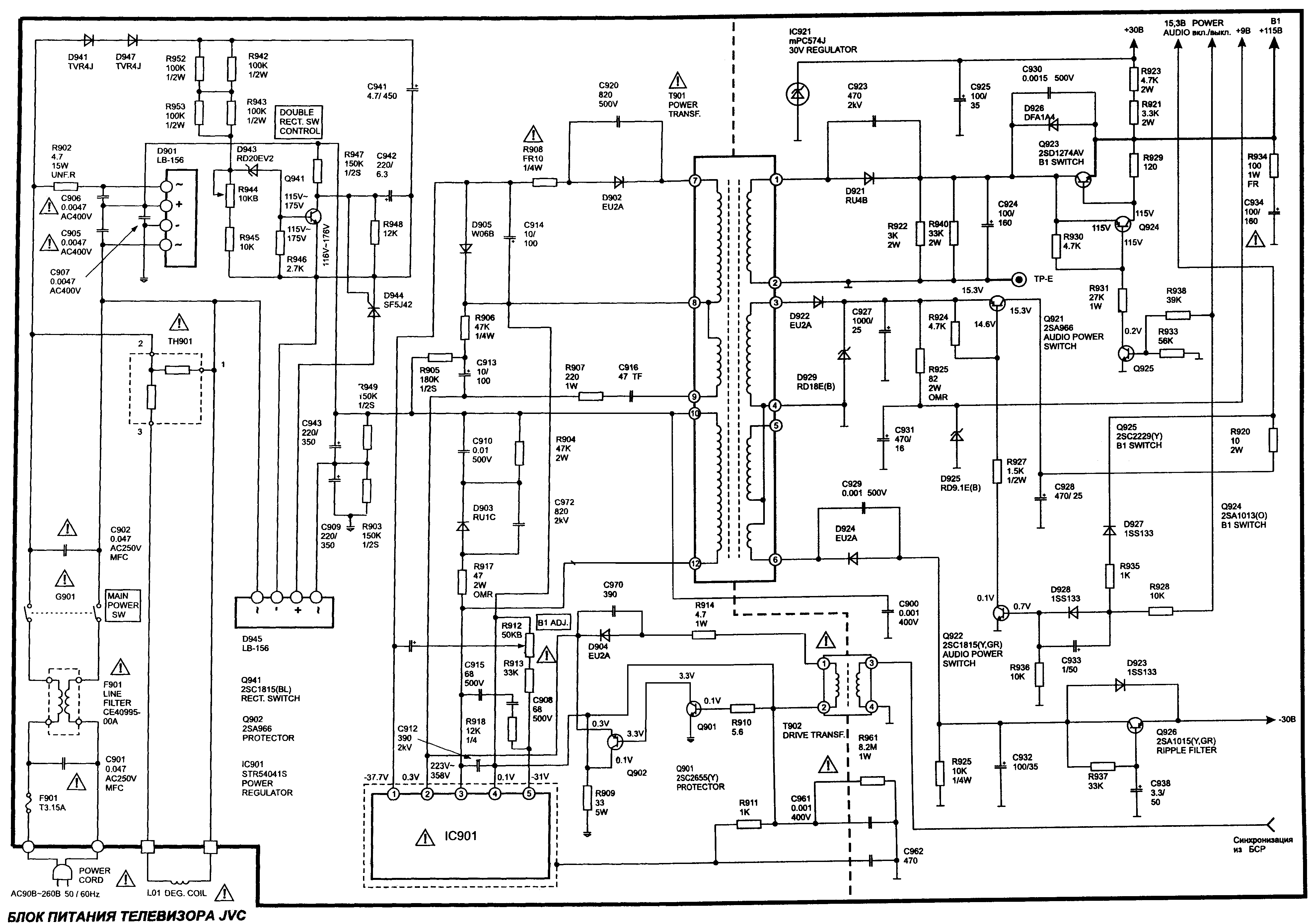
  • Телевизор "JVC C-140MU"   (228kB) (STR54041S, 2SC1815, 2SA966)

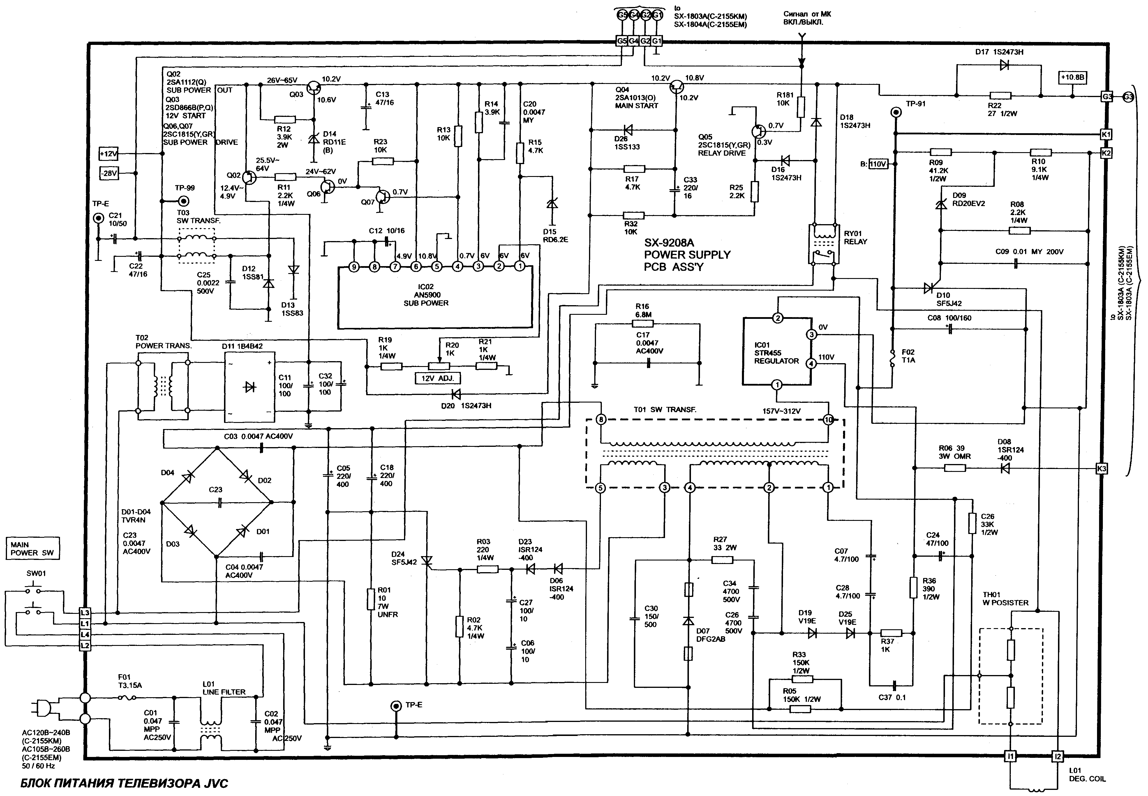
  • Телевизор "JVC C-2155EM"   (205kB) (AN5900, STR455, SF5J42)

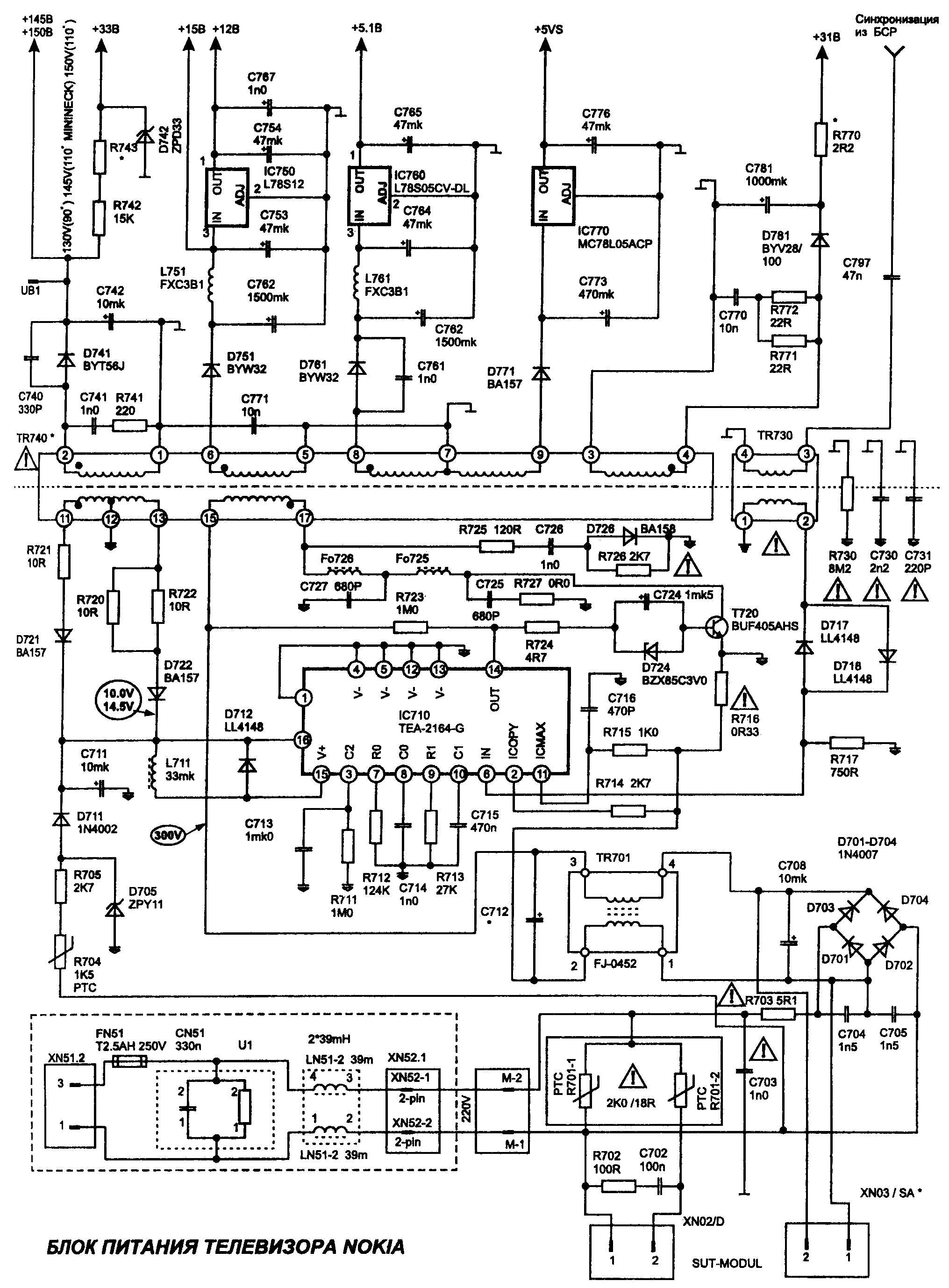
  • Телевизор "Nokia 7164VT (Шасси: 2B-F)"   (135kB) (TEA2164G, BUF405AHS, L78S05, L78S12)

  • Телевизор "Panasonic TX2170T, TC-2170R, TX-21F1T (Шасси: MX-3)"   (152kB) (2SC524, 2SA1512, 2SC3940A)

  • Телевизор "Panasonic TX-25V70T, TC-25V70R"   (172kB) (HA17555, 2SCV4581, 2SA684R)

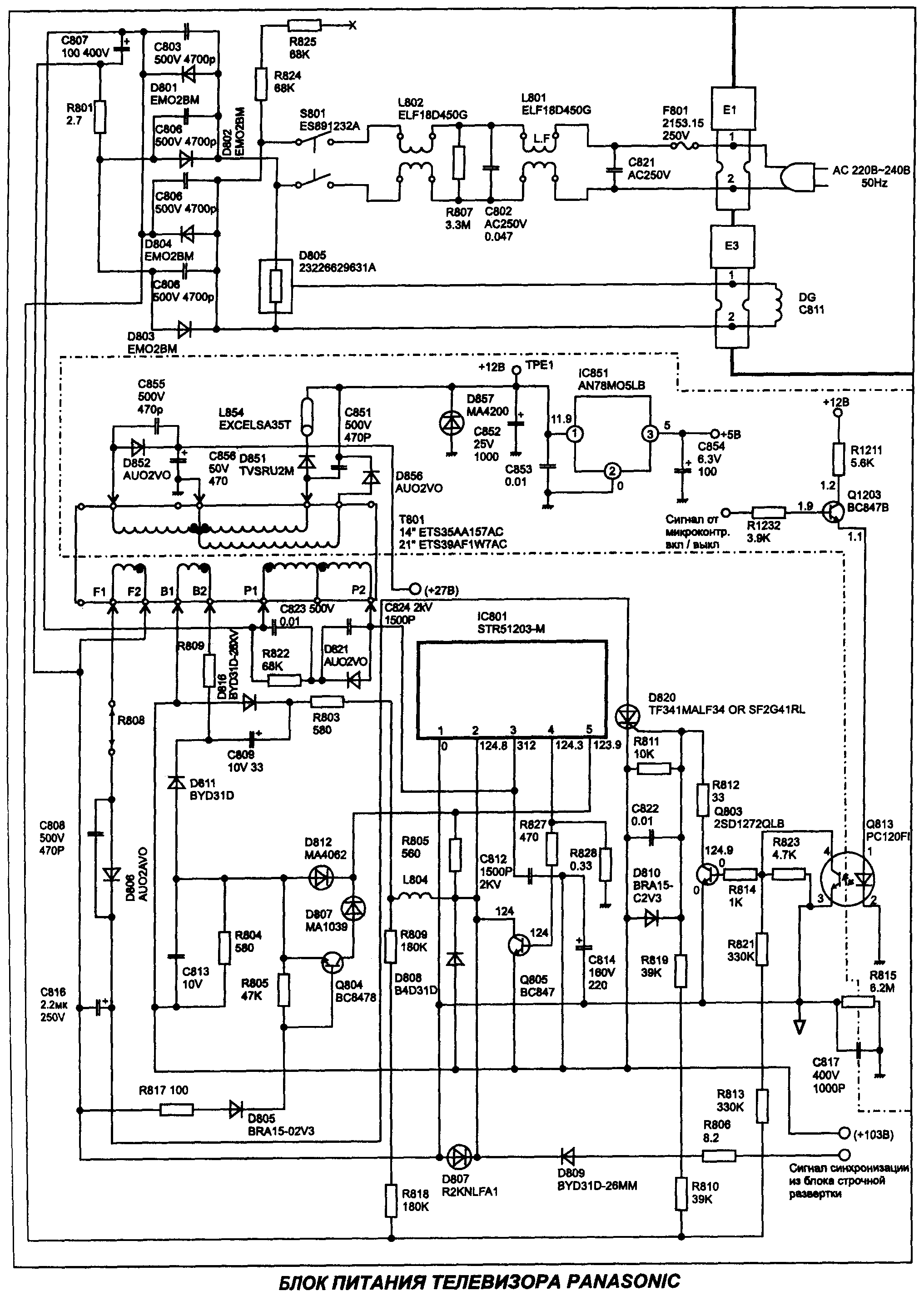
  • Телевизор "Panasonic TX-14S1TCC, TX-21S1TSS (Шасси: Z-5)"   (147kB) (STR51203M, BC847, 2SD1272Q)

  • Телевизор "Panasonic TC2150R, TC-2150RS, TC-2155R (Шасси MX-3C)"   (137kB) (2SC524Q, 2SC4804, SE090NLF4)

  • Телевизор "Salora 21K70/21K77, 24K70/24K77, 28K70/28K77"   (133kB) (HB600, BU508)

  • Телевизор "Samsung CK5035Z/UEISX (Шасси: P69SA)"   (117kB) (AH1201, TCH80A)

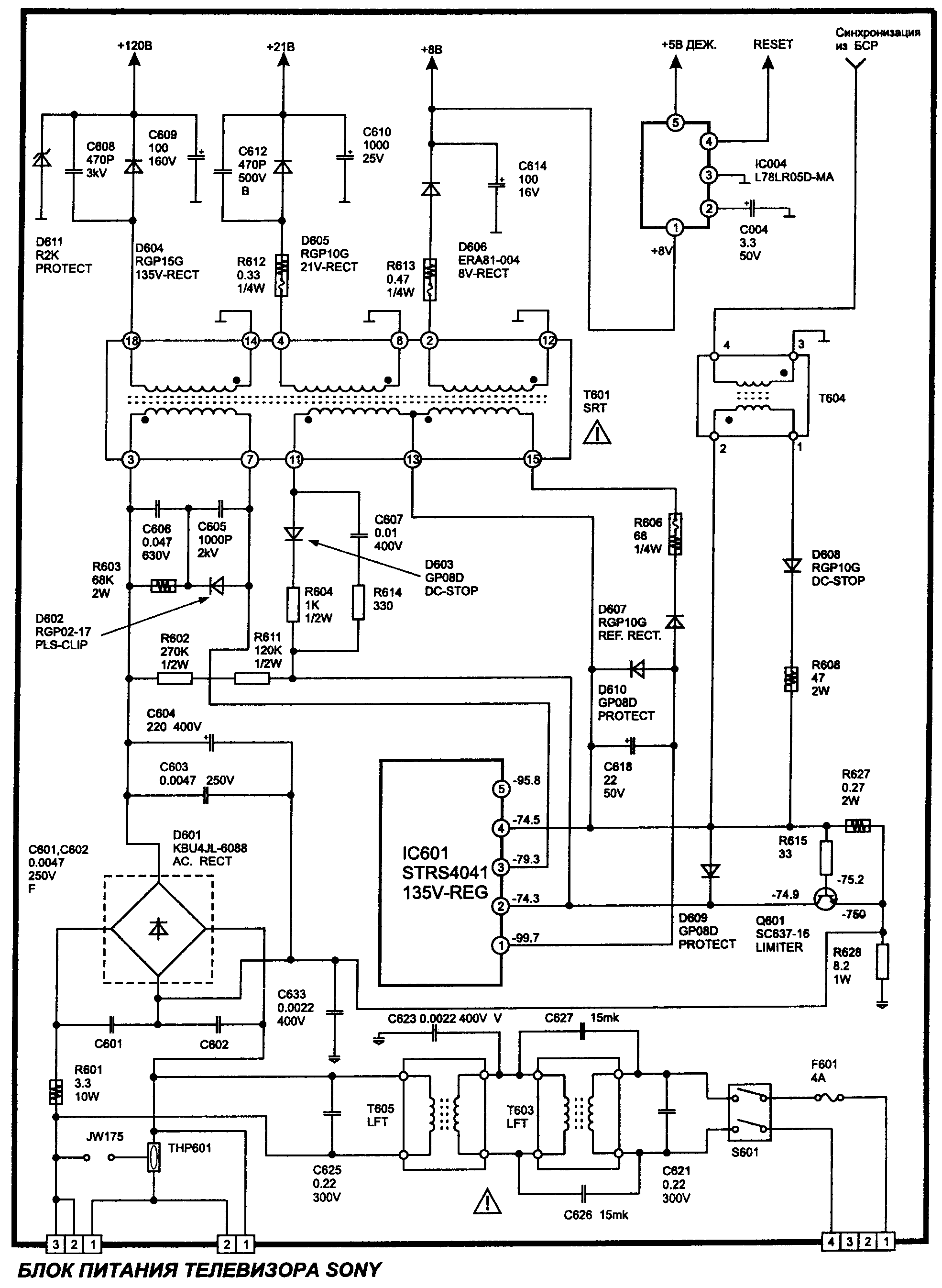
  • Телевизор "Sony KV-M1431K (Шасси: BE-2A)"   (115kB) (STR-S4041, BC637-16)

  • Телевизор "Sony KV-M2181KR (Шасси: BE-4)"   (128kB) (STR-S5706)

  • Телевизор "Sony KV-V2155K (Шасси: BE-2A)"   (115kB) (STR-S54041, BC637-16)

  • Телевизор "Sony G25M1/G25M11 (Шасси: BG-1S)"   (120kB) (STR-S6708, 2SC2412)

  • Телевизор "Sony KV25, MIA, TIA, TIB, MID, TID, MIE, TIE, MIK, TIK, TIL, TIR, T1U (Шасси BE-3B)"   (119kB) (STR-S6708)

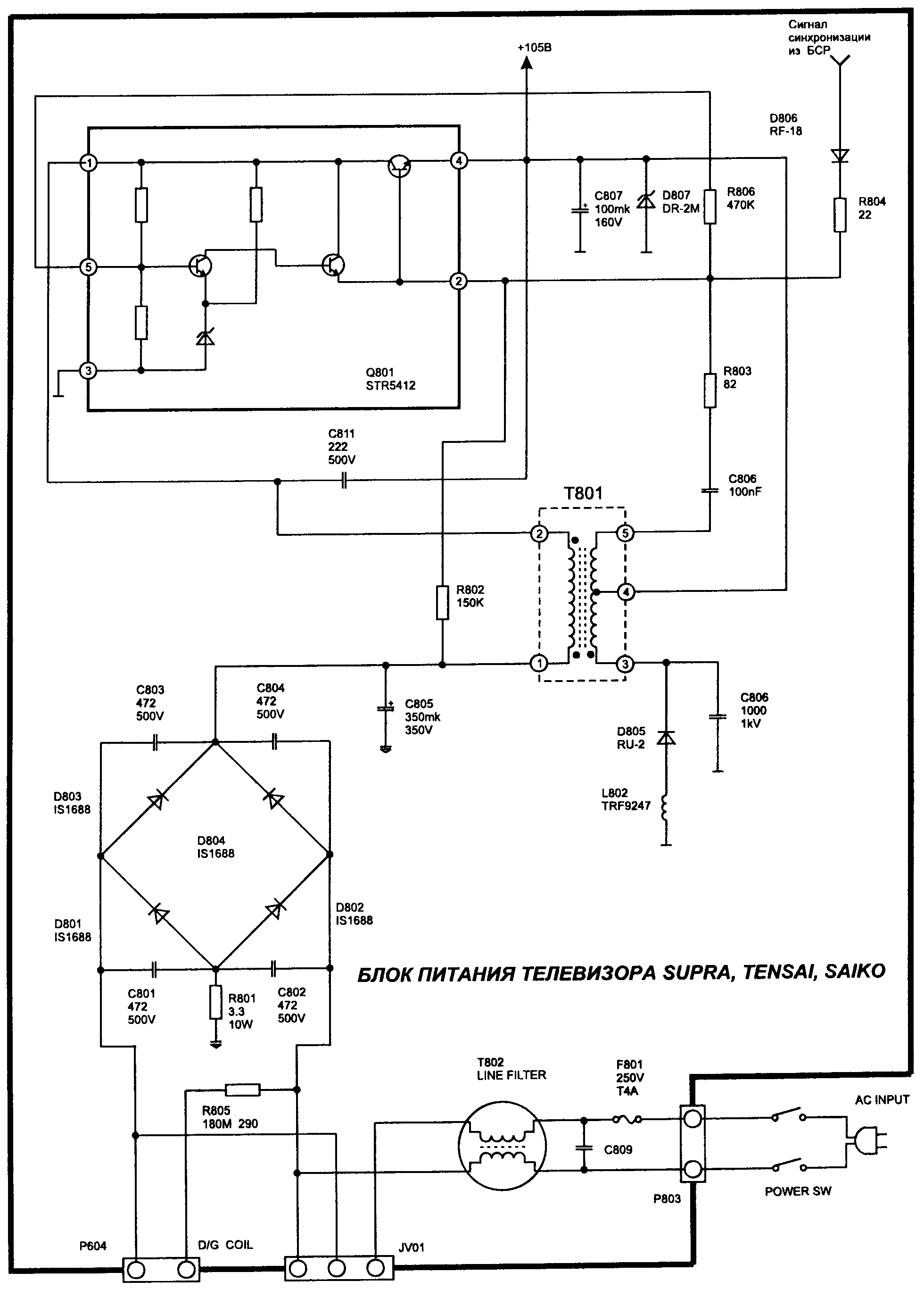
  • Телевизор "Supra STV-1454/2054"   (81kB) (STR5412)

  • Телевизор "Thomson,Telefunken 36MK18/MT19/MK10X, 51MT11/MT11X, GALAXY36K/KV, GALAXY40/KV"   (134kB) (TEA2261, BUL310)

        

        

    Поддержите сайт, поставте на нас ссылку.

    Пример ссылкиКод ссылки
    Схемы по радиосвязи
    Схемы по радиосвязи
    Выбрать другой баннер...

     
    Сайт создан в системе uCoz
  • Сайт создан в системе uCoz