Радиотелефон Panasonic KX-TC900
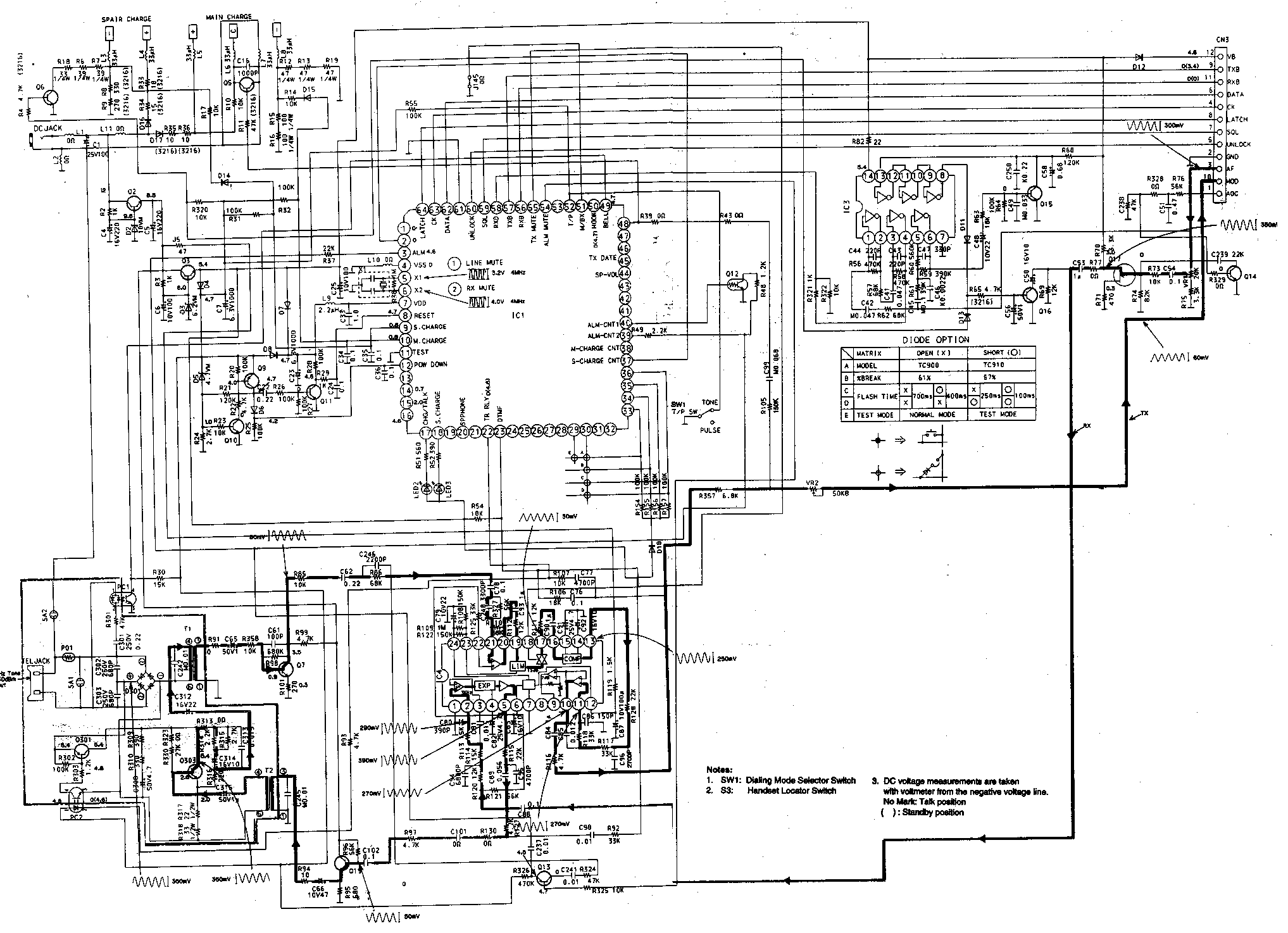
База
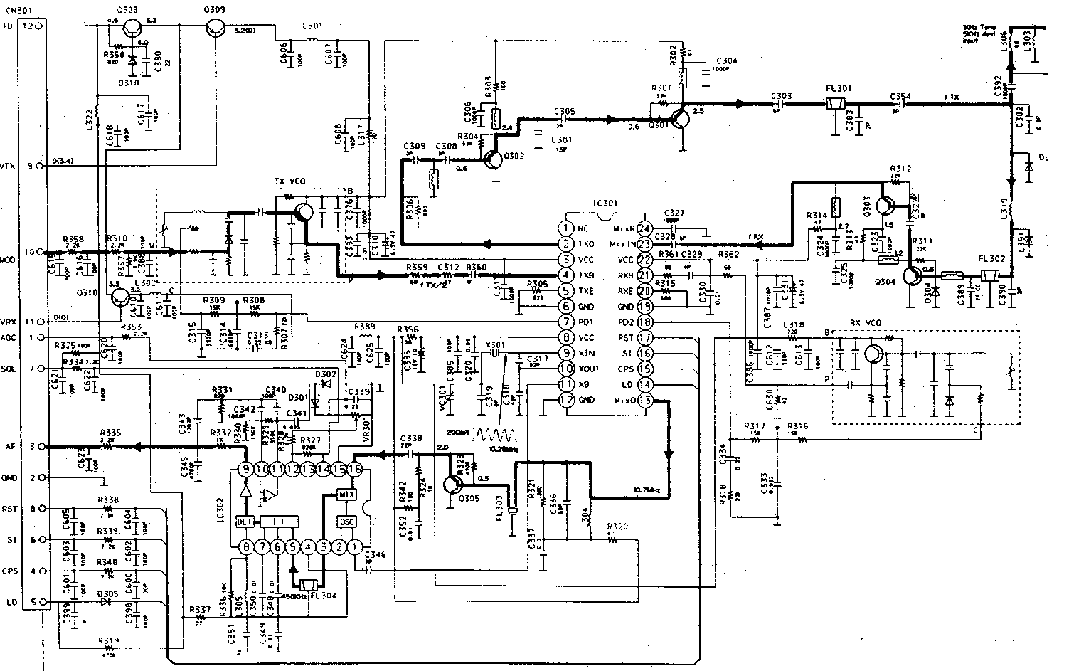
Радиочастотный блок
Поддержите сайт, поставте на нас ссылку.
Пример ссылки
Код ссылки
Схемы по радиосвязи
<a href="http://sterr.narod.ru/" target="blank">Схемы по радиосвязи</a>
<a href="http://sterr.narod.ru/" target="_blank"><img src="http://sterr.narod.ru/link/1/7.gif" alt="Схемы по радиосвязи" border="0" height="31" width="88"></a>
Выбрать другой баннер...
Сайт создан в системе
uCoz
Сайт создан в системе
uCoz